推力球軸承
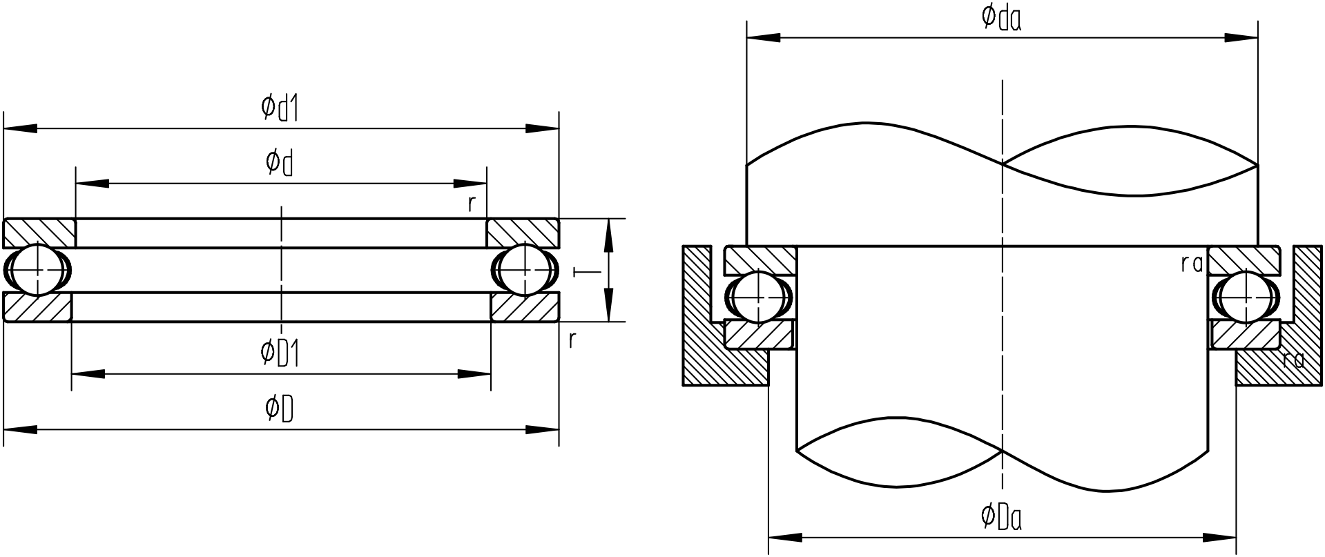
- 推力球軸承由軸圈、底圈、球和保持架組件構成。此類軸承是可分離軸承,即球和保持架組件與墊圈可以分別安裝。
bearing@hyzcgroup.com
18837917076
- 產品詳情
推力球軸承由軸圈、底圈、球和保持架組件構成。此類軸承是可分離軸承,即球和保持架組件與墊圈可以分別安裝。
推力球軸承有單向軸承和雙向軸承兩種設計,二者都可承受很高的軸向力但不能承受徑向力。

| 軸承型號 | 主要尺寸 | 額定載荷 | 極限轉速 | 其它尺寸 | 安裝尺寸 | 重量 | ||||||||
| mm | (KN) | (rpm) | mm | da | Da | ra | (kg) | |||||||
| d | D | T | r(min) | Ca | Coa | 脂潤滑 | 油潤滑 | d1 | D1 | min | max | max | ||
| 51111 | 55 | 78 | 16 | 0.6 | 35 | 93 | 2800 | 4300 | 78 | 57 | 69 | 64 | 0.6 | 0.227 |
| 51211 | 55 | 90 | 25 | 1 | 70 | 159 | 2200 | 3200 | 90 | 57 | 76 | 69 | 1 | 0.599 |
| 51112 | 60 | 85 | 17 | 1 | 41.5 | 113 | 2600 | 4000 | 85 | 62 | 75 | 70 | 1 | 0.281 |
| 51212 | 60 | 95 | 26 | 1 | 71.5 | 169 | 2000 | 3000 | 95 | 62 | 81 | 74 | 1 | 0.673 |
| 51113 | 65 | 90 | 18 | 1 | 42 | 117 | 2400 | 3800 | 90 | 67 | 80 | 75 | 1 | 0.324 |
| 51213 | 65 | 100 | 27 | 1 | 75.5 | 189 | 1900 | 2800 | 100 | 67 | 86 | 79 | 1 | 0.756 |
| 51114 | 70 | 95 | 18 | 1 | 43.5 | 127 | 2400 | 3600 | 95 | 72 | 85 | 80 | 1 | 0.346 |
| 51214 | 70 | 105 | 27 | 1 | 74 | 189 | 1900 | 2800 | 105 | 72 | 91 | 84 | 1 | 0.793 |
| 51115 | 75 | 100 | 19 | 1 | 43.5 | 131 | 2200 | 3400 | 100 | 77 | 90 | 85 | 1 | 0.389 |
| 51215 | 75 | 110 | 27 | 1 | 78 | 209 | 1800 | 2800 | 110 | 77 | 96 | 89 | 1 | 0.845 |
| 51116 | 80 | 105 | 19 | 1 | 45 | 141 | 2200 | 3400 | 105 | 82 | 95 | 90 | 1 | 0.417 |
| 51216 | 80 | 115 | 28 | 1 | 79 | 218 | 1800 | 2600 | 115 | 82 | 101 | 94 | 1 | 0.931 |
| 51117 | 85 | 110 | 19 | 1 | 46.5 | 150 | 2200 | 3200 | 110 | 87 | 100 | 95 | 1 | 0.44 |
| 51217 | 85 | 125 | 31 | 1 | 96 | 264 | 1600 | 2400 | 125 | 88 | 109 | 101 | 1 | 1.22 |
| 51118 | 90 | 120 | 22 | 1 | 60 | 190 | 1900 | 3000 | 120 | 92 | 108 | 102 | 1 | 0.646 |
| 51218 | 90 | 135 | 35 | 1.1 | 114 | 310 | 1400 | 2200 | 135 | 93 | 117 | 108 | 1 | 1.69 |
| 51120 | 100 | 135 | 25 | 1 | 86 | 268 | 1700 | 2600 | 135 | 102 | 121 | 114 | 1 | 0.96 |
| 51220 | 100 | 150 | 38 | 1.1 | 135 | 375 | 1300 | 2000 | 150 | 103 | 130 | 120 | 1 | 2.25 |
| 51122 | 110 | 145 | 25 | 1 | 88 | 288 | 1700 | 2400 | 145 | 112 | 131 | 124 | 1 | 1.04 |
| 51222 | 110 | 160 | 38 | 1.1 | 136 | 395 | 1300 | 1900 | 160 | 113 | 140 | 130 | 1 | 2.42 |
| 51124 | 120 | 155 | 25 | 1 | 90 | 310 | 1600 | 2400 | 155 | 122 | 141 | 134 | 1 | 1.12 |
| 51224 | 120 | 170 | 39 | 1.1 | 141 | 430 | 1200 | 1800 | 170 | 123 | 150 | 140 | 1 | 2.7 |
| 51126 | 130 | 170 | 30 | 1 | 105 | 350 | 1400 | 2000 | 170 | 132 | 154 | 146 | 1 | 1.68 |
| 51226 | 130 | 190 | 45 | 1.5 | 183 | 550 | 1100 | 1600 | 187 | 133 | 166 | 154 | 1.5 | 3.95 |
| 51128 | 140 | 180 | 31 | 1 | 107 | 375 | 1300 | 2000 | 178 | 142 | 164 | 156 | 1 | 1.83 |
| 51228 | 140 | 200 | 46 | 1.5 | 186 | 575 | 1000 | 1500 | 197 | 143 | 176 | 164 | 1.5 | 4.3 |
| 51130 | 150 | 190 | 31 | 1 | 110 | 400 | 1300 | 1900 | 188 | 152 | 174 | 166 | 1 | 1.95 |
| 51230 | 150 | 215 | 50 | 1.5 | 238 | 735 | 950 | 1400 | 212 | 153 | 189 | 176 | 1.5 | 5.52 |
| 51132 | 160 | 200 | 31 | 1 | 113 | 425 | 1200 | 1900 | 198 | 162 | 184 | 176 | 1 | 2.07 |
| 51232 | 160 | 225 | 51 | 1.5 | 249 | 805 | 900 | 1400 | 222 | 163 | 199 | 186 | 1.5 | 6.04 |
| 51134 | 170 | 215 | 34 | 1.1 | 135 | 510 | 1100 | 1700 | 213 | 172 | 197 | 188 | 1 | 2.72 |
| 51234 | 170 | 240 | 55 | 1.5 | 280 | 915 | 850 | 1300 | 237 | 173 | 212 | 198 | 1.5 | 7.41 |
| 51136 | 180 | 225 | 34 | 1.1 | 136 | 530 | 1100 | 1700 | 222 | 183 | 207 | 198 | 1 | 2.79 |
| 51236 | 180 | 250 | 56 | 1.5 | 284 | 955 | 800 | 1200 | 247 | 183 | 222 | 208 | 1.5 | 7.94 |
| 51138 | 190 | 240 | 37 | 1.1 | 172 | 655 | 1000 | 1600 | 237 | 193 | 220 | 210 | 1 | 3.6 |
| 51238 | 190 | 270 | 62 | 2 | 320 | 1110 | 750 | 1100 | 267 | 194 | 238 | 222 | 2 | 11.8 |
| 51140 | 200 | 250 | 37 | 2 | 184 | 575 | 950 | 1400 | 247 | 203 | 203 | 250 | 1.5 | 3.8 |
| 51240 | 200 | 280 | 62 | 3 | 350 | 990 | 750 | 1000 | 277 | 204 | 204 | 277 | 2.5 | 11.9 |
| 51144 | 220 | 270 | 37 | 2 | 187 | 625 | 850 | 1200 | 267 | 223 | 223 | 270 | 1.5 | 4.6 |
| 51244 | 220 | 300 | 63 | 3 | 365 | 995 | 700 | 950 | 297 | 224 | 224 | 297 | 2.5 | 13.3 |
| 51148 | 240 | 300 | 45 | 2.5 | 259 | 835 | 750 | 1000 | 297 | 243 | 243 | 300 | 2 | 7.5 |
| 51248 | 240 | 340 | 78 | 3.5 | 455 | 1500 | 600 | 800 | 335 | 244 | 244 | 335 | 3 | 21.8 |
| 51152 | 260 | 320 | 45 | 2.5 | 263 | 910 | 750 | 1000 | 317 | 263 | 263 | 320 | 2 | 7.91 |
| 51252 | 260 | 360 | 79 | 3.5 | 475 | 1640 | 560 | 750 | 355 | 264 | 264 | 355 | 3 | 22.8 |
| 51156 | 280 | 350 | 53 | 2.5 | 335 | 1150 | 670 | 900 | 347 | 283 | 283 | 350 | 2 | 11.8 |
| 51256 | 280 | 380 | 80 | 3.5 | 495 | 1710 | 560 | 750 | 375 | 284 | 284 | 375 | 3 | 26.2 |
| 51160 | 300 | 380 | 62 | 2.5 | 346 | 1520 | 630 | 850 | 376 | 304 | 304 | 376 | 2 | 17.5 |
| 51260 | 300 | 420 | 95 | 3.5 | 575 | 2613 | 480 | 630 | 415 | 304 | 304 | 415 | 3 | 42.5 |
| 51164 | 320 | 400 | 63 | 2.5 | 352 | 1615 | 600 | 800 | 396 | 324 | 324 | 396 | 2 | 18.8 |
| 51264 | 320 | 440 | 95 | 3.5 | 543 | 2565 | 450 | 600 | 435 | 325 | 325 | 435 | 3 | 43 |
| 51168 | 340 | 420 | 64 | 2.5 | 358 | 1710 | 600 | 800 | 416 | 344 | 344 | 416 | 2 | 19.8 |
| 51268 | 340 | 460 | 96 | 3.5 | 545 | 2755 | 450 | 600 | 455 | 345 | 345 | 455 | 3 | 45 |
| 51172 | 360 | 440 | 65 | 2.5 | 371 | 1805 | 560 | 750 | 436 | 364 | 364 | 436 | 2 | 21.1 |
| 51272 | 360 | 500 | 110 | 4 | 704 | 3610 | 400 | 530 | 495 | 365 | 365 | 495 | 3 | 69.2 |
| 51180 | 400 | 480 | 65 | 2.5 | 383 | 2014 | 530 | 700 | 476 | 404 | 404 | 476 | 2 | 23 |
| 51280 | 400 | 540 | 112 | 4 | 680 | 3773 | 250 | 380 | 535 | 405 | 405 | 535 | 3 | 74.5 |
| 51184 | 420 | 500 | 65 | 2.5 | 390 | 2090 | 530 | 700 | 495 | 424 | 424 | 495 | 2 | 24.2 |
| 51188 | 440 | 540 | 80 | 2.5 | 501 | 2850 | 450 | 600 | 535 | 444 | 444 | 535 | 2 | 42 |
| 51288 | 440 | 600 | 130 | 5 | 622 | 3530 | 320 | 470 | 595 | 445 | 445 | 595 | 4 | 109 |
| 51192 | 460 | 560 | 80 | 2.5 | 501 | 2850 | 450 | 600 | 555 | 464 | 464 | 555 | 2 | 41.7 |
| 51292 | 460 | 620 | 130 | 5 | 654 | 3962 | 200 | 300 | 615 | 465 | 465 | 615 | 4 | 114 |
| 51196 | 480 | 580 | 80 | 2.5 | 513 | 2898 | 430 | 560 | 575 | 484 | 484 | 575 | 2 | 42.5 |
| 511/500 | 500 | 600 | 80 | 2.5 | 525 | 3183 | 430 | 560 | 595 | 504 | 504 | 595 | 2 | 45.7 |
| 512/500 | 500 | 670 | 135 | 5 | 864 | 5443 | 250 | 300 | 665 | 505 | 505 | 665 | 4 | 137 |
| 511/530 | 530 | 640 | 85 | 3 | 518 | 3311 | 400 | 530 | 635 | 534 | 534 | 635 | 2 | 55.8 |
| 512/630 | 630 | 850 | 175 | 6 | 1124 | 7041 | 100 | 160 | 845 | 635 | 635 | 845 | 5 | 243 |
| 511/670 | 670 | 800 | 105 | 4 | 728 | 4420 | 160 | 240 | 795 | 674 | 674 | 795 | 3 | 92.2 |
| 511/1400 | 1400 | 1630 | 180 | 8 | 1900 | 23600 | 80 | 140 | 1622 | 1048 | 1059 | 1535 | 6 | 665 |
- 在線詢價





